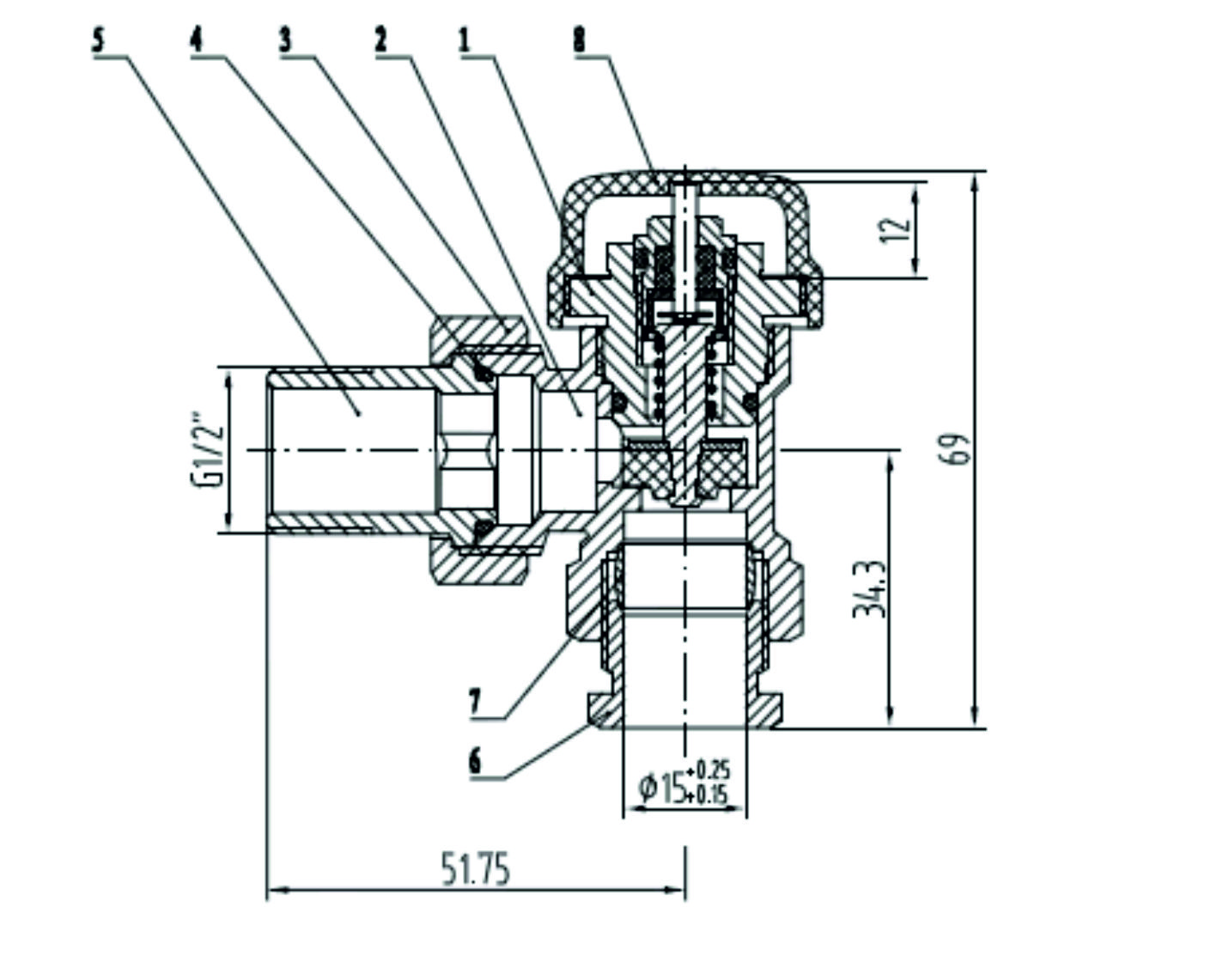
Riko thermostatisch ventiel zonder knop 1/2 haaks+adaptor

SW21195
0 Review(s)
Productinformatie

Riko thermostatisch ventiel zonder knop 1/2 haaks+adaptor

Deze compacte, thermostatisch voorbereide oplossing is ideaal wanneer je jouw radiatoren netjes en efficiënt wilt aansluiten, maar ook graag de vrijheid houdt om later zelf een passende thermostaatknop te kiezen. Dankzij de haakse aansluiting is dit product bijzonder geschikt voor situaties waarbij de leidingen uit de muur of uit de vloer komen en je alles strak langs de radiator wilt wegwerken. In zowel moderne als bestaande installaties biedt het een betrouwbare basis voor een zuinige en comfortabel regelbare verwarming. Zoek je een nette afwerking, een vlotte montage én de mogelijkheid om je radiatoren op termijn eenvoudig te voorzien van een thermostatische knop, dan is dit een slimme keuze voor jouw woning of project.

Voorbereid op thermostatische regeling

Dit ventiel is thermostatisch voorbereid, wat betekent dat de kern al geschikt is om warmte automatisch te regelen zodra je er een passende thermostaatknop op plaatst. Je profiteert nu al van een veilige, goed afsluitbare aansluiting, terwijl je de keuze voor de knop kunt afstemmen op jouw wensen en interieur. Zo houd je maximale controle over comfort en energieverbruik: met een thermostatische knop kun je per ruimte de temperatuur nauwkeurig instellen en verspilling beperken. Handig als je stap voor stap wilt verduurzamen of een bestaande radiatorinstallatie wilt upgraden zonder direct alles te hoeven vervangen.

Praktische haakse aansluiting en nette afwerking

De 1/2 haakse uitvoering maakt dit ventiel bijzonder praktisch in gebruik. De hoekconstructie zorgt ervoor dat leidingen mooi langs de muur of vloer kunnen lopen, waardoor je minder last hebt van uitstekende buizen en de radiator strakker oogt. Dat is niet alleen mooier, maar vaak ook praktischer bij schoonmaken en bij het plaatsen van meubels. De meegeleverde beschermkap zorgt er bovendien voor dat het ventiel tijdens montage of verbouwing goed beschermd blijft. Zo voorkom je beschadigingen én kun je het systeem al testen voordat je de definitieve knop monteert.

Eenvoudige montage met 15 mm kneladapter

Dankzij de inbegrepen 15 mm kneladapter is de aansluiting op veelgebruikte cv-leidingen eenvoudig te realiseren. De knelverbinding maakt snel en betrouwbaar monteren mogelijk, zonder ingewikkelde bewerkingen. Dit is prettig voor de installateur, maar ook voor de doe-het-zelver met enige ervaring. Een goede passing en degelijke afdichting zijn cruciaal voor een lekvrije en duurzame installatie, en juist daar blinkt deze set in uit. Je creëert een solide basis waar je jarenlang op kunt vertrouwen, en waar je later eenvoudig een passende thermostaatknop aan toevoegt.

Kenmerken:

  • Thermostatisch voorbereid ventiel: klaar voor gebruik met een losse thermostaatknop naar keuze
  • Haakse 1/2 aansluiting: ideaal voor leidingen uit muur of vloer en een strakke radiatoropstelling
  • Inclusief 15 mm kneladapter voor een snelle en betrouwbare aansluiting op veelgebruikte cv-leidingen
  • Voorzien van beschermkap, zodat het ventiel tijdens montage en verbouwingswerkzaamheden goed beschermd is
  • Zonder thermostaatknop geleverd, waardoor je zelf een knop kunt kiezen die past bij jouw stijl en installatie
  • Zeer geschikt voor renovatie, vervanging of uitbreiding van bestaande radiatoren
Met deze thermostatisch voorbereide oplossing leg je een solide basis voor een comfortabele en energiezuinige verwarming, nu én in de toekomst. Perfect wanneer je een nette, duurzame en flexibel uitbreidbare radiatoraansluiting zoekt. Maak je droombadkamer of -woonruimte compleet met dit doordachte product en ervaar zelf het gemak van een goed voorbereide installatie.
Specificaties
Artikelnummer SW21195
Merk Riko

Meer informatie

Garantie 2 jaar
Technische documenten
Bestel- en bezorginformatie

Bezorgen

In de winkelwagen zie je de verwachte leverdatum van de totale bestelling. Kies zelf een bezorgdag.

Gratis afhalen in showroom

Het is mogelijk om dit product gratis af te halen in één van onze showrooms. Bekijk hieronder een indicatie van de afhaaldatum per showroom. Rond de bestelling online af en geef in het bestelproces aan in welke showroom je jouw bestelling wenst af te halen.Is dit artikel een showroommodel? Dan kun je deze maximaal 1 dag reserveren en alleen betalen in de betreffende showroom.

Gratis retourneren in onze showrooms

Toch niet helemaal tevreden over dit product? Geen zorgen! Je kunt het ontvangen product retour sturen binnen 30 dagen na ontvangst. Alle betalingen ontvang je terug op dezelfde wijze waarop je betaald hebt, in ieder geval binnen 14 dagen vanaf de retourdatum.